Жало паяльное METCAL для MX PLCC-20 П-образное SMTC-012
(Москва, Пресненская наб., 12 «Башня Федерация. Москва-Сити», этаж 42)
ХАРАКТЕРИСТИКИ
ОПИСАНИЕ
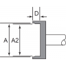
Жало паяльное Metcal SMTC-012 представляет собой картридж-наконечник, разработанный для использования с паяльными станциями серии MX. Данная модель предназначена для работы с компонентами типа PLCC-20 и имеет П-образную форму. Размеры жала составляют A 10.16 x A2 9.14 x D 3.8 x B 10.16 x B2 9.14 мм, что обеспечивает точное позиционирование и эффективную пайку.
Жало SMTC-012 оптимизировано для свинцовосодержащего припоя и относится к серии 600 по теплоотдаче. Ориентировочная рабочая температура пайки составляет 250 °C, а температура холостого хода — 315 °C. Максимальная температура (точка Кюри) достигает 357 °C, что гарантирует стабильность характеристик при интенсивной работе.
Данное паяльное жало подходит для профессионального использования в электронике, при ремонте и монтаже печатных плат, где требуется высокая точность и контроль температуры для работы с PLCC-компонентами. Оно обеспечивает надежное соединение и минимизирует риск повреждения чувствительных элементов.
Минимальный заказ на картридж-наконечник Metcal SMTC-012 составляет 5 штук.
