Жало паяльное METCAL для MX PLCC 32 SMTC-116
(Москва, Пресненская наб., 12 «Башня Федерация. Москва-Сити», этаж 42)
ХАРАКТЕРИСТИКИ
ОПИСАНИЕ
Жало паяльное Metcal для паяльных станций серии MX предназначено для работы с компонентами типа PLCC 32. Данный картридж-наконечник обеспечивает точную и эффективную пайку благодаря оптимизированной теплоотдаче и стабильным температурным характеристикам.
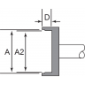
Жало имеет П-образную форму и размеры 12.7 x A2 11.43 x D 3.8 x B 15.24 x B2 13.97 мм, что делает его удобным для работы с мелкими и плотно расположенными элементами. Оно относится к серии 700, разработанной специально для бессвинцового припоя, что подчеркивает его соответствие современным стандартам пайки.
Ориентировочная рабочая температура пайки составляет 280 °C, а температура холостого хода — 370 °C. Максимальная температура (точка Кюри) достигает 413 °C, что гарантирует стабильность нагрева и долговечность жала при интенсивном использовании. Минимальный заказ составляет 5 штук.
