Жало паяльное METCAL для MX QFP 100 Rectangular SMTC-143
(Москва, Пресненская наб., 12 «Башня Федерация. Москва-Сити», этаж 42)
ХАРАКТЕРИСТИКИ
ОПИСАНИЕ
Жало паяльное Metcal SMTC-143 предназначено для использования с паяльными станциями серии MX. Данное жало имеет форму QFP 100 Rectangular и является картридж-наконечником, что обеспечивает удобство и быстроту замены. Оно разработано для точных паяльных работ, особенно при работе с компонентами в корпусах QFP.
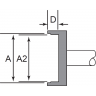
Жало SMTC-143 обладает размерами A 16.51 x A2 16.51 x D 3.3 x B 22.48 x B2 22.48 мм. Теплоотдача соответствует серии 700, что делает его пригодным для работы с бессвинцовым припоем. Ориентировочная рабочая температура пайки составляет 280 °C, а температура холостого хода — 370 °C. Максимальная температура достигает 413 °C (точка Кюри).
Данное паяльное жало подходит для профессионального использования в электронике, при монтаже и ремонте печатных плат, особенно там, где требуется высокая точность и контроль температуры. Оно обеспечивает стабильный нагрев и эффективную передачу тепла к точке пайки, что критически важно для качественного соединения.
Минимальный заказ на данный товар составляет 5 штук.
