Жало паяльное для MX TQFP 80 Metcal SMTC-1132
(Москва, Пресненская наб., 12 «Башня Федерация. Москва-Сити», этаж 42)
ХАРАКТЕРИСТИКИ
ОПИСАНИЕ
Жало паяльное Metcal SMTC-1132 предназначено для использования с паяльными станциями серии MX и оптимизировано для работы с компонентами в корпусе TQFP 80. Данный картридж-наконечник обеспечивает эффективную пайку благодаря своим характеристикам теплоотдачи, соответствующим серии 700 для бессвинцового припоя.
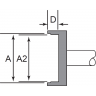
Жало имеет П-образную форму и точные размеры A 13.34 x A2 12.32 x D 2.79 x B 13.34 x B2 12.32 мм, что позволяет выполнять прецизионные работы. Ориентировочная рабочая температура пайки составляет 280 °C, а максимальная температура (точка Кюри) достигает 413 °C, что обеспечивает стабильность и надежность процесса.
Продукт разработан для профессионального использования в электронике, ремонте печатных плат и сборке электронных устройств, где требуется высокая точность и контроль температуры. Минимальный заказ составляет 5 штук, что удобно для оптовых закупок и обеспечения производственных нужд.
