Жало паяльное METCAL для MX PLCC 44 SMTC-114
(Москва, Пресненская наб., 12 «Башня Федерация. Москва-Сити», этаж 42)
ХАРАКТЕРИСТИКИ
ОПИСАНИЕ
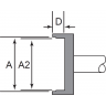
Жало паяльное Metcal SMTC-114 предназначено для использования с паяльными станциями серии MX и оптимизировано для работы с компонентами типа PLCC 44. Данный картридж-наконечник обеспечивает эффективную пайку благодаря своей П-образной форме и размерам A 17.78 x A2 16.76 x D 3.8 x B 17.78 x B2 16.76 мм.
Жало разработано для обеспечения высокой теплоотдачи, соответствующей серии 700, что делает его пригодным для работы с бессвинцовым припоем. Ориентировочная рабочая температура пайки составляет 280 °C, а температура холостого хода достигает 370 °C. Максимальная температура (точка Кюри) составляет 413 °C, что гарантирует стабильность характеристик при интенсивной эксплуатации.
Этот тип жала подходит для профессионального использования в электронике, где требуется точная и надежная пайка компонентов PLCC 44. Его конструкция обеспечивает быстрый нагрев и точное поддержание температуры, что критически важно для качественного монтажа чувствительных элементов.
Минимальный заказ на данные паяльные жала составляет 5 штук.
