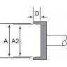
Жало паяльное METCAL для MX SQFP 64 (EIJA) П-образное 11.8 x A2 11.8 x D 2.54 x B 11.8 x B2 11.8 мм SMTC-0120
(Москва, Пресненская наб., 12 «Башня Федерация. Москва-Сити», этаж 42)
ХАРАКТЕРИСТИКИ
ОПИСАНИЕ
Жало паяльное Metcal SMTC-0120 предназначено для использования с паяльными станциями серии MX. Данная модель разработана для работы с компонентами типа SQFP 64 (EIJA) и имеет П-образную форму. Размеры жала составляют 11.8 x A2 11.8 x D 2.54 x B 11.8 x B2 11.8 мм, что обеспечивает точное позиционирование при пайке.
Картридж-наконечник серии 600 обеспечивает теплоотдачу, оптимизированную для работы со свинцовосодержащим припоем. Ориентировочная рабочая температура пайки составляет 250 °C, а температура холостого хода — 315 °C. Максимальная температура (точка Кюри) достигает 357 °C, что гарантирует стабильную работу при различных режимах.
Данное жало подходит для профессионального использования в электронике, ремонте печатных плат и монтаже SMD-компонентов, где требуется высокая точность и контроль температуры. Оно обеспечивает эффективную передачу тепла к точке пайки, минимизируя риск повреждения чувствительных элементов.
Минимальный заказ на данную позицию составляет от 5 штук.
